Учка.РФ (логотип)
На главную | Математика | Русский язык | Физика | Биология | Химия | География | Английский язык | Обществознание | История | Информатика | Литература

ГлавнаяБиологияВПР по биологии за 8 классВариант 2
#3302

ВПР по биологии за 8 класс

Вариант 2

Часть 1


1

Как называется раздел биологии, объектом изучения которого является изображённый на фотографии объект?

Ответ:


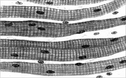
2

На рисунке изображена мышечная ткань. Выберите из приведённого ниже списка три утверждения, относящиеся к характеристике данной ткани.

Ответ:

1) Выполняет двигательную функцию.
2) Обеспечивает транспорт питательных веществ к другим тканям организма.
3) Клетки располагаются на большом расстоянии друг от друга в межклеточном веществе, состоящем из концентрически расположенных пластинок.
4) Клетки располагаются на большом расстоянии друг от друга в волокнистом межклеточном веществе.
5) Клетки ткани представляют собой многоядерные исчерченные волокна.
6) Клетки этой ткани могут возбуждаться и сокращаться.

3

3.1. Определите тип питания организмов, приведённых в перечне.

Ответ:

Автотрофный тип питания:

1) каштан конский
2) возбудитель чумы
3) малина обыкновенная
4) подберёзовик шахматный
5) мятлик луговой
6) шакал азиатский

Гетеротрофный тип питания:

1) каштан конский
2) возбудитель чумы
3) малина обыкновенная
4) подберёзовик шахматный
5) мятлик луговой
6) шакал азиатский

3.2. Какой тип питания характерен для капустной белянки, изображённой на рисунке? Обоснуйте свой ответ.

Ответ:


4

Установите последовательность расположения систематических групп животных, начиная с наименьшей.

1) Отряд Пауки
2) Семейство Пауки-птицееды
3) Царство Животные
4) Класс Паукообразные
5) Тип Членистоногие
6) Подцарство Многоклеточные

В ответе введите последовательность из 6 цифр.

Ответ:


5

В приведённой ниже таблице между позициями первого и второго столбцов имеется взаимосвязь.

Целое Часть
Дыхательная система Воздушные мешки
Нервная система

5.1. Какое понятие следует вписать на место пропуска в этой таблице?

Ответ:


5.2. Какая система обеспечивает реакции организма на внешние воздействия?

Ответ:


6

Рассмотрите рисунок, на котором представлен цикл развития острицы, и ответьте на вопросы.

6.1. Какой цифрой обозначен на рисунке орган человека, в котором обитает острица?

Ответ:


6.2. Можно ли заразиться острицами, если пить проточную воду из-под крана? Ответ обоснуйте.

Ответ:


7

7.1. Установите соответствие между характеристиками и типами беспозвоночных: к каждой позиции, данной в первом столбце, подберите соответствующую позицию из второго столбца.

ХАРАКТЕРИСТИКИ

А) наличие стрекательных клеток
Б) симметрия тела двусторонняя
В) способность к регенерации
Г) тело, состоящее из трёх слоёв
Д) половое и бесполое размножение
Е) наличие систем органов

ТИПЫ БЕСПОЗВОНОЧНЫХ

1) Кишечнополостные
2) Членистоногие

Запишите в таблицу выбранные цифры под соответствующими буквами.

Ответ:

АБВГДЕ

7.2. Приведите по три примера беспозвоночных животных, относящихся к указанным типам.

Ответ:

Кишечнополостные:

1) Гидра
2) Медуза-корнерот
3) Коралловый полип
4) Дождевой червь
5) Аскарида
6) Слизень

Членистоногие:

1) Бабочка-капустница
2) Дафния
3) Пиявка
4) Большой прудовик
5) Планария
6) Скорпион

8

На рисунке изображение комара пискуна.

Выберите характеристики, соответствующие данному животному. В ответ запишите соответствующие цифры.

А. Тип развития
1) прямой
2) с неполным превращением
3) с полным превращением

Б. Ротовой аппарат
1) грызущий
2) колюще-сосущий
3) сосущий

В. Кровеносная система
1) отсутствует
2) незамкнутая
3) замкнутая

Г. Дыхательная система
1) отсутствует
2) жабры
3) дыхание осуществляется всей поверхностью тела
4) лёгочные мешки
5) разветвлённые трахеи

Д. Нервная система
1) головные ганглии, окологлоточное кольцо и брюшная цепочка
2) разбросанные нервные узлы
3) два головных нервных узла, от которых отходят нервные стволы
4) окологлоточное кольцо и несколько нервных стволов

Запишите в таблицу выбранные цифры под соответствующими буквами.

Ответ:

АБВГД

9

Изучите данные приведённой ниже таблицы и ответьте на вопросы.

Размеры яйцеклеток животных

ЖивотныеРазмеры яйцеклеток (в мм)
Аскарида0,04
Иглокожие, моллюски1,4
Лососёвые рыбы6,0–9,0
Лягушка1,5
Крокодил50,0
Курица30,0
Страус80,0
Кошка0,13
Корова0,15
Человек0,10

9.1. У какого представителя млекопитающих, представленных в таблице, самая маленькая яйцеклетка?

Ответ:


Представители каких классов позвоночных животных имеют крупные яйцеклетки? Назовите двух представителей.

Ответ:

1) Пресмыкающиеся
2) Земноводные
3) Млекопитающие
4) Птицы
5) Рыбы

9.2. К какому типу животных относится аскарида?

Ответ:


Часть 2


10

Рассмотрите изображённое на рисунке животное и опишите его, выполнив задания.

Укажите тип симметрии животного.

Ответ:


Укажите среду обитания животного.

Ответ:


11

Рыбы – водные обитатели, дышащие жабрами и передвигающиеся с помощью плавников. Используя эти сведения, выберите из приведённого ниже списка три утверждения, относящихся к описанию данных признаков этих животных.

Ответ:

1) Тело покрыто костными чешуями.
2) В сердце рыб венозная кровь.
3) Поступательное движение происходит с помощью хвостового плавника.
4) Грудные и брюшные плавники помогают рыбе поворачивать.
5) Рыбы – раздельнополые животные.
6) Газообмен происходит в жаберных лепестках.

12

12.1. Установите соответствие между плавниками рыбы, обозначенными буквами (А–Д) на рисунке, и их названиями.

Список названий:

1) грудной
2) спинной
3) анальный
4) брюшной
5) жаберный
6) хвостовой

Запишите в таблицу выбранные цифры под соответствующими буквами.

Ответ:

АБВГД

12.2. Напишите название типа положения рта у рыбы, изображённой на рисунке.

Какой тип питания характерен для рыб с таким положением рта?

Ответ:


13

13.1. Рассмотрите рисунок. Как называется часть осевого скелета рыбы, которая на рисунке обозначена цифрой 1?

Ответ:


13.2. Установите соответствие между элементами скелета, обозначенными буквами (А–В) на рисунке, и их названиями.

Список названий:

1) жаберная крышка
2) кости нижней челюсти
3) хвостовой отдел позвоночника
4) туловищный отдел позвоночника

Запишите в таблицу выбранные цифры под соответствующими буквами.

Ответ:

АБВ

14

14.1. Какой цифрой на рисунке обозначено сердце рыб?


1

2

3

4

Ответ:


14.2. Как называются сосуды, по которым кровь течёт от сердца рыб?

Ответ:


14.3. Сколько камер в сердце у рыб? Ответ запишите цифрой.

Ответ:


15

15.1. Какой буквой на рисунке обозначена дыхательная система рыб?


А

Б

В

Г

Д

Ответ:


15.2. У многих рыб есть плавательный пузырь. Какие действия может совершать рыба благодаря этому органу?

Ответ:


16

16.1. На рисунке представлена пищеварительная система рыбы. Установите соответствие между отделами пищеварительной системы, обозначенными буквами (А–Д) на рисунке, и их названиями.

Список названий:

1) печень
2) желудок
3) пищевод
4) глотка
5) кишечник
6) поджелудочная железа

Ответ:

АБВГД

16.2. Какую функцию выполняет печень и какую функцию выполняет тонкий отдел кишечника? Для каждого отдела укажите одну его функцию.

Ответ:

1) печень

2) в тонком кишечнике


16.3. Укажите две особенности внутреннего строения рыб, которые являются приспособлениями к водному образу жизни.

Ответ:

1) вынашивание потомства в матке (живорождение)
2) диафрагма для дыхательных движений
3) наличие плавательного пузыря
4) четырёхкамерное сердце для интенсивного кровообращения
5) жабры служат для дыхания растворённым в воде кислородом

17

Рыбы – важнейший элемент водных сообществ. Какое значение они имеют в жизни человека? Напишите три значения.

Ответ:

1) очищают воду от химических загрязнений
2) являются ценным продуктом питания
3) служат сырьём для получения лекарств
4) используются для производства текстильных тканей
5) служат сырьём для получения кормов для животных
6) являются источником кислорода на Земле


© «Учка.РФ», 2025-2026. Подготовка к ЕГЭ, ОГЭ и ВПР по математике, русскому языку, физике. Тренировочные варианты ЕГЭ, ОГЭ, ВПР.
Обратная связь