Учка.РФ (логотип)
На главную | Математика | Русский язык | Физика | Биология | Химия | География | Английский язык | Обществознание | История | Информатика | Литература

ГлавнаяФизикаВПР по физике за 10 классВариант 1
#1601

ВПР по физике за 10 класс

Вариант 1

Часть 1


1

Выберите все верные утверждения о физических явлениях, величинах и закономерностях.

Ответ:

1) Механическое движение относительно, например скорость тела зависит от того, относительно какого предмета рассматривается движение этого тела.
2) Средняя скорость движения броуновской частицы в газе не зависит от температуры газа, но существенно зависит от массы этой частицы.
3) В цепи постоянного тока на всех последовательно соединённых резисторах независимо от их положения напряжение одинаково.
4) В электрически изолированной системе тел алгебраическая сумма электрических зарядов тел сохраняется.

2

В таблице приведены температуры плавления и кипения некоторых веществ при нормальном атмосферном давлении.

Укажите номер(а) веществ(а), которое(-ые) будет(-ут) находиться в жидком состоянии при температуре 85°С и нормальном атмосферном давлении.

Ответ:

  №   Вещество Темп-ра плавления Темп-ра кипения
1Хлор171 К239 К
2Спирт159 К351 К
3Ртуть234 К630 К
4Нафталин353 К490 К

3

На каком рисунке правильно изображена картина линий напряжённости электростатического поля точечного положительного заряда?

Картина линий напряжённости электростатического поля (1, 2).Картина линий напряжённости электростатического поля (3, 4).

Ответ:


4

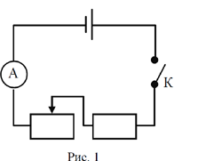
Учащиеся изучали протекание электрического тока в цепи, схема которой изображена на рис. 1. Передвигая рычажок реостата при замкнутом ключе, они следили за изменением силы тока и построили график зависимости силы тока I от времени t (рис. 2).

Учащиеся изучали протекание электрического тока в цепи, схема которой изображена на рис. 1.График зависимости силы тока I от времени t (рис. 2).

Выберите два верных утверждения, соответствующих данным графика.

Ответ:

1) В процессе опыта сила тока в цепи изменялась в пределах от 3 до 6 А.
2) В промежутке времени от t2 до t3 сопротивление реостата оставалось неизменным.
3) В промежутке времени от 0 до t1 рычажок реостата перемещали вправо.
4) В промежутке времени от t3 до t4 рычажок реостата перемещали влево.
5) За промежуток времени от t2 до t3 напряжение на резисторе увеличилось в 2 раза.

5

Конденсатор ёмкостью С = 10 нФ первоначально не заряжен. Его зарядили до напряжения U = 85 В. Рассчитайте величину модуля заряда, который оказался на одной из обкладок конденсатора. Дайте ответ в микрокулонах (мкКл).

Запишите решение и ответ.

Ответ:

мкКл.

6

На горизонтальной поверхности стола находится брусок массой m = 1 кг (см. рисунок). К бруску прикладывают силу F, направленную в сторону поверхности стола под углом α = 30° к горизонту. Модуль этой силы F = 20 H. Коэффициент трения между бруском и поверхностью стола μ = 0,4. Ускорение свободного падения 10 м/с2.

На горизонтальной поверхности стола находится брусок...

6.1. Рассчитайте модуль нормальной составляющей силы реакции опоры, N действующей на брусок.

Ответ:

Н.

6.2. Рассчитайте модуль ускорения, с которым двигается брусок относительно поверхности стола. Ответ округлите до десятых.

Ответ:

м/с2.

Часть 2


7

В термос с водой комнатной температуры положили несколько кубиков льда (tльда = 0°C), после чего термос плотно закрыли. Считая термос идеальным теплоизолятором, укажите, как в течение нескольких последующих минут изменятся температура воды и масса льда.

Для каждой величины определите соответствующий характер изменения.

Ответ:

Температура воды:

Масса льда:


8

Электрическая линия для розеток на кухне оснащена автоматическим выключателем, который размыкает линию, если сила тока в ней превышает 25 А. Напряжение электрической сети равно 220 В.

В таблице представлены электрические приборы, находящиеся на кухне, и потребляемая ими мощность.

Электрические приборы Потребляемая мощность, Вт
Духовка электрическая2300
Посудомоечная машина1800
Кофеварка1500
Микроволновая печь1800
Тостер-печь1100
Кондиционер1000
Холодильник180
Электрический чайник1800
Блендер300

На кухне одновременно работают посудомоечная машина, холодильник и кондиционер. Можно ли при этом дополнительно включить электрический чайник?

Ответ:


9

Ученик исследовал зависимость модуля силы трения F от массы m бруска, перемещая его равномерно и прямолинейно по горизонтальной поверхности. Результаты измерений с учётом их абсолютной погрешности представлены на графике. Можно считать, что g = 10 м/с2.

Результаты измерений с учётом их абсолютной погрешности представлены на графике...

Каков приблизительно коэффициент трения скольжения бруска по поверхности, на которойпроводился эксперимент? Укажите любое значение из диапазона, удовлетворяющего погрешности измерений. Ответ округлите до сотых долей.

Ответ:


10

В мензурку налили раствор медного купороса, сверху аккуратно налили чистую воду (см. рисунок), и оставили в покое. Через несколько дней граница разделения жидкостей стала размытой, а ещё через несколько дней вся жидкость в мензурке оказалась одинаково окрашенной.

В мензурку налили раствор медного купороса, сверху аккуратно налили чистую воду...

Как называется явление, которое иллюстрирует описанный опыт? В чём оно заключается?

Ответ:


11

Вам необходимо исследовать, зависит ли сила трения скольжения, действующая между деревянным бруском и деревянной горизонтальной поверхностью, от силы нормального давления бруска на поверхность. Имеется следующее оборудование:

В ответе:

1. Опишите экспериментальную установку, которую нужно применить для проведения такого исследования (при необходимости изобразите её).
2. Укажите порядок действий при проведении исследования.

Ответ:

1. При помощи динамометра начинаем тянуть брусок и замеряем максимальные показания на динамометре вплоть до момента начала движения бруска (выхода из состояния покоя). Сила нормальной реакции увеличивается при помощи грузов, которые помещаются на брусок. Затем повторяем опыт с одним, двумя, тремя грузами грузами. Полученные значения силы трения сравниваются.
2. При помощи динамометра брусок с грузами движется равномерно. Сила трения измеряется при помощи динамометра. Сила нормальной реакции увеличивается при помощи грузов, которые помещаются на брусок. Проводится два или три опыта для движения бруска сначала с одним, а затем с двумя (тремя) грузами. Полученные значения силы трения сравниваются.
3. Направляющая с бруском (с прикрепленным динамометром) медленно поднимается с одного края до тех пор пока брусок не приходит в движение (сила трения уравнивается с составляющей силой тяжести направленной вдоль наклонной поверхности). В момент начала движения фиксируем показания динамометра. Сила нормальной реакции увеличивается при помощи грузов, которые помещаются на брусок. Повторяем опыт с грузом, а затем с двумя (тремя) грузами. Полученные результаты равниваются.

Прочитайте фрагмент технического описания электрической тепловой пушки и выполните задания 12 и 13.

Электрическая тепловая пушка

Работа электрической тепловой пушки (ЭТП) основывается на нагревании воздуха за счёт трубчатого электронагревателя (ТЭНа). На электрической схеме ТЭНы обозначены R1 и R2. Трубчатый электронагреватель помещён в металлический корпус с отражателями внутри. Холодный воздух, поступающий снаружи, прогоняется в помещение вентилятором через ТЭНы, при этом воздух нагревается.

Вентилятор приводится в движение электродвигателем (на схеме – М) с медными обмотками. Максимум излучения ТЭНов приходится на инфракрасную область. Скорость вращения вентилятора практически не влияет на выделяющееся количество теплоты, но чем она выше, тем равномернее полученное тепло распределяется по помещению.

Используя тумблеры (К1 и К2), можно включать один или два ТЭНа, регулируя тепловую мощность, которая в бытовых пушках, как правило, не превышает 5 кВт при напряжении сети 220 В. Термоограничитель (Кt) защищает тепловую пушку от перегрева, а защитная решётка предохраняет пушку от попадания предметов внутрь, предотвращает случайное касание рукой ТЭНа.

Электрическая тепловая пушкаСхема ЭТП

Правила эксплуатации

1. Запрещается эксплуатация ЭТП без заземления (для электропитания используется трёхполюсная розетка, в которой третий контакт подключён к заземляющему проводу).
2. Подключение к сети должно производиться трёхжильным медным кабелем, рассчитанным на мощность ЭТП.
3. ЭТП не должна храниться в помещениях с повышенной влажностью.
4. Запрещается сушить вещи на корпусе или решётке ЭТП.
5. Запрещается направлять ЭТП на легковоспламеняющиеся предметы, располагать её вблизи от них.


12

Может ли воздух, проходящий через изображённую на рисунке ЭТП, нагреться до 150°С? Поясните свой ответ.

Ответ:


13

Подойдёт ли розетка, изображённая на рисунке, для безопасного подключения ЭТП? Поясните свой ответ.

Розетка

Ответ:



© «Учка.РФ», 2025-2026. Подготовка к ЕГЭ, ОГЭ и ВПР по математике, русскому языку, физике. Тренировочные варианты ЕГЭ, ОГЭ, ВПР.
Обратная связь