Учка.РФ (логотип)
На главную | Математика | Русский язык | Физика | Биология | Химия | География | Английский язык | Обществознание | История | Информатика | Литература

ГлавнаяФизикаВПР по физике за 10 классВариант 7
#1607

ВПР по физике за 10 класс

Вариант 7

Часть 1


1

Выберите все верные утверждения о физических явлениях, величинах и закономерностях.

Ответ:

1) Свободным падением называется движение тела под действием только силы тяжести, когда все остальные силы отсутствуют или уравновешивают друг друга.
2) Теплопередача путём электромагнитного излучения невозможна в вакууме.
3) Если тела находятся в тепловом равновесии, то их температура одинакова.
4) Заряженное тело, движущееся в инерциальной системе отсчёта равномерно и прямолинейно, создаёт в пространстве переменное магнитное поле.

2

Твёрдую ртуть медленно нагревали в сосуде. В таблице приведены результаты измерений её температуры с течением времени.

Время, минТемпература, °С
0–50
2–47
4–39
6–39
8–39
10–34
12–28
14–19

В каком(-их) агрегатном(-ых) состоянии(-ях) находилась ртуть через 10 мин после начала измерений температуры?

Ответ:

в твёрдом
в жидком
в газообразном


3

К водяной капле, имевшей электрический заряд −3е (где е — элементарный заряд), присоединилась капля с зарядом +6е. Каким стал электрический заряд объединённой капли?

Ответ:

е

4

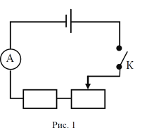
Учащиеся изучали протекание электрического тока в цепи, изображённой на схеме (рис. 1). Передвигая рычажок реостата, они следили за изменением силы тока и построили график зависимости силы тока от времени (рис. 2).

Учащиеся изучали протекание электрического тока в цепи, изображённой на схеме (рис. 1).Передвигая рычажок реостата, они следили за изменением силы тока и построили график зависимости силы тока от времени (рис. 2).

Выберите два верных утверждения, соответствующих данным графика.

Ответ:

1) В процессе опыта сила тока в цепи изменялась в пределах от 2 до 7 А.
2) В промежутке времени от t2 до t3 сопротивление реостата увеличивалось.
3) В промежутке времени от 0 до t1 рычажок реостата перемещали влево.
4) В промежутке времени от t3 до t4 рычажок реостата перемещали вправо.
5) В промежутке времени от t1 до t2 напряжение на резисторе увеличилось в 3 раза.

5

Чему равно время прохождения тока силой 5 А по проводнику, если при напряжении на его концах 120 В в проводнике выделяется количество теплоты, равное 540 кДж? Ответ дайте в секундах.

Ответ:

с.

6

Два пластилиновых шарика массами m и 3m летят навстречу друг другу с одинаковыми по модулю скоростями. После абсолютно неупругого удара их скорость стала равна 0,5 м/с.

6.1. Чему равна первоначальная скорость шариков?

Ответ:

м/с.

6.2. Какой кинетической энергией обладала система, если считать m = 100 г?

Ответ:

Дж.

Часть 2


7

В колебательном контуре раздвинули пластины конденсатора.

В колебательном контуре раздвинули пластины конденсатора.

Как при этом изменятся частота и период собственных колебаний электрического заряда в контуре?

Для каждой величины определите соответствующий характер изменения.

Ответ:

Частота колебаний заряда:

Период колебаний заряда:


8

Напряжение в сети подскочило с 220 до 230 В. На сколько процентов увеличилась при этом потребляемая мощность бытовых приборов? Запишите решение и ответ (округлите до целого).

Ответ:

%.

9

С помощью мензурки измеряли объём тела. Погрешность измерений объёма тела равна цене деления шкалы мензурки (см. рисунок).

С помощью мензурки измеряли объём тела...

Запишите в ответе объём тела с учётом погрешности измерений.

Ответ:

± мл.


10

Учитель на уроке проделал следующий опыт. Он налил в стакан горячую воду и опустил в неё термометр, далее он измерял температуру каждую минуту и получил следующий график:

Учитель на уроке проделал следующий опыт. Он налил в стакан горячую воду и опустил в неё термометр, далее он измерял температуру каждую минуту и получил следующий график.

Температура в классной комнате равнялась 20 °С. Учитель обратил внимание учащихся на изменение разницы между температурой воды и температурой окружающей среды с течением времени.

Какой вывод можно сделать по результатам рассмотренного опыта?

Ответ:


11

Вам необходимо исследовать, как меняется давление воздуха при изменении его объёма, если другие параметры воздуха остаются неизменными. Имеется следующее оборудование (см. рисунок):

Вам необходимо исследовать, как меняется давление воздуха при изменении его объёма, если другие параметры воздуха остаются неизменными.

В ответе:

1. Опишите экспериментальную установку.
2. Опишите порядок действий при проведении исследования.

Ответ:

1. Установка включает сильфон, манометр и сосуд с водой. Порядок действий: сильфон полностью погружают в воду и начинают резко сжимать и растягивать, фиксируя крайние показания манометра для уменьшения погрешности измерений. Объём воздуха фиксируют при помощи линейки, прикреплённой к сильфону. Объём воздуха в сосуде пропорционален высоте сосуда. Необходимо снять два-три показания манометра при разных значениях объёма.
2. Объём сильфона очень медленно уменьшают, чтобы температура воздуха в процессе сжатия оставалась неизменной. Можно использовать сосуд с водой в качестве термостата. За изменением давления следят при помощи манометра. Изменение объёма фиксируют при помощи линейки, прикреплённой к сильфону. Объём воздуха в сосуде пропорционален высоте сосуда. Необходимо снять два-три показания манометра при разных значениях объёма.
3. Экспериментальная установка состоит из сильфона, манометра и горелки. Порядок действий: сначала нагревают сильфон с воздухом при помощи горелки, затем быстро сжимают его, наблюдая за показаниями манометра. Изменение объёма оценивают приблизительно по степени сжатия сильфона. Показания манометра сравнивают до и после сжатия.

Прочитайте текст и выполните задания 12 и 13.

Термисторы

Сопротивление проводников и полупроводников зависит от температуры.

При увеличении температуры металлического проводника на 1 °С его электрическое сопротивление увеличивается в среднем всего на 0,3%. Сопротивление металлических проводников растёт с повышением температуры вследствие рассеяния электронов на тепловых колебаниях кристаллической решётки. Термометры сопротивления, изготовленные из металлов, применялись в лабораториях уже давно. При этом приходилось делать эти термометры из очень длинной металлической проволоки, чтобы общее их сопротивление было достаточно велико по сравнению с сопротивлением подводящих проводов. При этом изменение сопротивления при изменении температуры крайне мало, что отрицательно влияло на точность измерений. Термометр сопротивления помещают внутрь тела, температуру которого желают измерить (например, в печь), а концы обмотки включают в цепь электрического тока. Измеряя сопротивление обмотки, можно определить температуру. Такие термометры применяют для очень высоких и очень низких температур.

При нагревании полупроводников без примесей наблюдается очень быстрое возрастание числа свободных электронов, что приводит к уменьшению сопротивления полупроводника на несколько процентов при нагревании всего на 1 °С. Полупроводники широко применяются для измерения температуры и называются в технике термосопротивления или термисторы. Термисторы являются очень точными и чувствительными термометрами. Удельное сопротивление рабочего вещества таких термометров настолько велико, что прибор может иметь размеры меньше миллиметра. Такие размеры позволяют измерять температуру небольших предметов (листьев растений, участков человеческой кожи и т.д.). Чувствительность современных термосопротивлений настолько велика, что с их помощью можно обнаружить и измерить изменения температуры на одну миллионную градуса Цельсия.


12

На каком явлении основан принцип действия термисторов? Ответ поясните.

Ответ:


13

Можно ли при помощи термистора измерить температуру капли воды? Ответ поясните.

Ответ:



© «Учка.РФ», 2025-2026. Подготовка к ЕГЭ, ОГЭ и ВПР по математике, русскому языку, физике. Тренировочные варианты ЕГЭ, ОГЭ, ВПР.
Обратная связь