Учка.РФ (логотип)
На главную | Математика | Русский язык | Физика | Биология | Химия | География | Английский язык | Обществознание | История | Информатика | Литература

ГлавнаяФизикаОГЭ по физикеВариант 5
#1705

ОГЭ по физике

Вариант 5


1

Установите соответствие между физическими величинами и единицами этих величин в Международной системе единиц (СИ). К каждой позиции первого столбца подберите соответствующую позицию из второго столбца и запишите в таблицу выбранные цифры под соответствующими буквами.

ФИЗИЧЕСКИЕ ВЕЛИЧИНЫ

А) сила тока
Б) импульс тела
В) давление

ЕДИНИЦЫ

1) килограмм (кг)
2) ватт (Вт)
3) ампер (А)
4) паскаль (Па)
5) килограмм-метр в секунду (кг⋅м/с)

Ответ:

АБВ

2

Установите соответствие между техническими устройствами и физическими закономерностями, лежащими в основе их работы. К каждой позиции первого столбца подберите соответствующую позицию из второго столбца и запишите в таблицу выбранные цифры под соответствующими буквами.

ТЕХНИЧЕСКИЕ УСТРОЙСТВА

A) жидкостный термометр
Б) пружинный динамометр

ФИЗИЧЕСКИЕ ЗАКОНОМЕРНОСТИ

1) зависимость гидростатического давления от высоты столба жидкости
2) зависимость силы упругости от деформации тела
3) расширение жидкостей при нагревании
4) изменение давления жидкости при изменении ее объема

Ответ:

АБ

3

Под микроскопом рассматривают каплю воды со взвешенными в ней мельчайшими частицами краски. Видно, что частицы краски находятся в непрерывном хаотическом движении. Какое явление наблюдается в этом опыте?

Ответ:


4

Прочитайте текст и вставьте на места пропусков слова (словосочетания) из приведённого списка.

К тонкой струе воды из водопроводного крана подносят, не дотрагиваясь, отрицательно заряженную пластмассовую расчёску. Струя воды (А)__________ (см. рисунок).

К тонкой струе воды из водопроводного крана подносят, не дотрагиваясь, отрицательно заряженную пластмассовую расчёску.

Объясняется это явлением (Б)__________. Электрические заряды в струе воды (В)__________, причём на ближайшей к расчёске стороне струи накапливается (Г)__________.

Список слов и словосочетаний:
1) магнитное взаимодействие
2) электризация через влияние
3) положительный заряд
4) отрицательный заряд
5) перераспределяться
6) нейтрализуются
7) притягивается к расчёске
8) отталкивается от расчёски

Запишите в таблицу выбранные цифры под соответствующими буквами.

Ответ:

АБВГ

5

В открытом сосуде 1 и закрытом сосуде 2 при закрытом ключе К на одном и том же уровне находится вода. Куда будет перетекать вода, если открыть кран К?

В открытом сосуде 1 и закрытом сосуде 2 при закрытом ключе К на одном и том же уровне находится вода. Куда будет перетекать вода, если открыть кран К?

Ответ:

1) Вода обязательно будет перетекать из сосуда 2 в сосуд 1, так как масса воды в сосуде 2 больше.
2) Вода обязательно будет перетекать из сосуда 1 в сосуд 2, так как атмосферное давление даёт дополнительный вклад в давление над сосудом 1.
3) Перемещение жидкостей будет зависеть от давления в воздушном зазоре сосуда 2: если оно будет превышать атмосферное давление, то вода будет перетекать из сосуда 2 в сосуд 1, в противном случае вода будет перетекать из сосуда 1 в сосуд 2.
4) Вода перетекать не будет ни при каких обстоятельствах, так как высота столбов воды в обоих сосудах одинакова, значит, и гидростатические давления с двух сторон от крана К одинаковы.

6

На рисунке представлен график зависимости координаты x некоторого тела от времени t. Найдите среднюю скорость движения этого тела за первые 5 секунд движения. Тело можно считать материальной точкой.

На рисунке представлен график зависимости координаты x некоторого тела от времени t. Найдите среднюю скорость движения этого тела за первые 5 секунд движения. Тело можно считать материальной точкой.

Ответ:

м/c.

7

По гладким рельсам, проложенным на горизонтальной поверхности, движутся навстречу друг другу две игрушечные вагонетки массами m1 = 0,1 кг и m2 = 0,2 кг. После столкновения вагонетки сцепляются и дальше движутся вместе со скоростью u = 1 м/с, сохранив направление движения первой вагонетки. Найдите модуль скорости второй вагонетки до столкновения, если известно, что скорость первой вагонетки до столкновения была равна v1 = 4 м/с.

Ответ:

м/с.

8

Медной детали массой 25 кг сообщили количество теплоты, равное 40 кДж. На сколько градусов нагрелась эта деталь, если известно, что конечная температура детали была далека от температуры плавления? Удельная теплоёмкость меди 400 Дж/кг⋅°C.

Ответ:

°C.

9

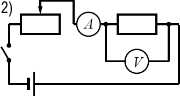
Сопротивления резисторов R1 = 1 Ом, R2 = 2 Ом, R3 = 3 Ом. Чему равно общее сопротивление участка цепи, изображённого на рисунке?

Ответ:

Ом.

10

Луч света переходит из воздуха в стекло, преломляясь на границе раздела двух сред. Какое из направлений 1–4 соответствует преломлённому лучу?

Луч света переходит из воздуха в стекло, преломляясь на границе раздела двух сред.

Ответ:


11

Используя фрагмент Периодической системы химических элементов Д. И. Менделеева, представленный на рисунке, определите, сколько нейтронов содержит ядро лития с массовым числом 7.

Фрагмент Периодической системы химических элементов Д. И. Менделеева №1.Фрагмент Периодической системы химических элементов Д. И. Менделеева №2.

Ответ:


12

Вода, предварительно охлаждённая до температуры кристаллизации, начинает превращаться в лёд. Как в процессе этого превращения меняются средняя кинетическая энергия молекул, а также внутренняя энергия?

Для каждой величины определите соответствующий характер изменения.

Ответ:

Cредняя кинетическая энергия молекул:

Внутренняя энергия:


13

Футбольный мяч, катящийся по горизонтальному участку земли, останавливается из-за трения. Как при этом меняется кинетическая и потенциальная энергия мяча?

Для каждой величины определите соответствующий характер изменения.

Ответ:

Кинетическая энергия:

Потенциальная энергия:


14

На рисунке приведены графики зависимости силы электрического тока в двух алюминиевых проволоках A и B одинаковой длины от напряжения на их концах.

На рисунке приведены графики зависимости силы электрического тока в двух алюминиевых проволоках A и B одинаковой длины от напряжения на их концах.

Используя данные графика, выберите из предложенного перечня два верных утверждения. Укажите их номера.

Ответ:

1) Площадь поперечного сечения проволоки A больше площади поперечного сечения проволоки B.
2) Площадь поперечного сечения проволоки A меньше площади поперечного сечения проволоки B.
3) Сопротивление проволоки A равно 6,5 Ом.
4) Сопротивление проволоки B равно 52 Ом.
5) Удельное сопротивление проволоки A больше удельного сопротивления проволоки B.

15

Запишите результат измерения электрического напряжения (см. рисунок), учитывая, что абсолютная погрешность измерения равна цене деления вольтметра.

Вольтметр.

Ответ:


16

Ученик провёл эксперимент по изучению выталкивающей силы, действующей на тело, по мере погружения тела в жидкость. На рисунке представлен график зависимости силы Архимеда от объёма погружённой в жидкость части тела (цилиндра).

На рисунке представлен график зависимости силы Архимеда от объёма погружённой в жидкость части тела (цилиндра).

Выберите из предложенного перечня два утверждения, которые соответствуют результатам проведённых экспериментальных наблюдений. Укажите их номера.

Ответ:

1) Выталкивающая сила зависит от плотности жидкости.
2) Выталкивающая сила не зависит от материала, из которого изготовлен цилиндр.
3) Выталкивающая сила увеличивается при увеличении объёма погружённой части тела.
4) По мере погружения выталкивающая сила прямо пропорциональна объёму погруженной части тела.
5) Выталкивающая сила прямо пропорциональна плотности вещества, из которого изготовлен цилиндр.

17

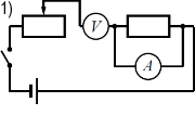
Определите электрическое сопротивление резистора R1. Для этого соберите экспериментальную установку, используя источник тока, вольтметр, амперметр, ключ, реостат, соединительные провода и резистор, обозначенный R1. При помощи реостата установите в цепи силу тока 2 А. Абсолютная погрешность измерения силы тока равна ±0,1 А, абсолютная погрешность измерения напряжения равна ±0,2 В.

1) нарисуйте электрическую схему эксперимента;
2) запишите формулу для расчёта электрического сопротивления;
3) укажите результаты измерения напряжения и силы тока с учётом абсолютных погрешностей измерений;
4) запишите значение электрического сопротивления.

Ответ:

1) Выберите подходящую электрическую схему эксперимента:

Схема №1Схема №2Схема №3 Схема №4


2) Формула для расчёта электрического сопротивления:

Ответ:


3) Напряжение и сила тока с учётом абсолютных погрешностей измерений:

Ответ:

U = 5 ± В.
I = ± А.


4) Значение электрического сопротивления:

R Ом.

Прочитайте текст и выполните задание 18.


Открытие давления света

При падении света на тела он оказывает различные воздействия: тепловое, химическое, электрическое (фотоэффект), вызывает эффекты вторичного свечения (флюоресценция, фосфоресценция). Важно отметить, что одновременно с этим наблюдается и механическое действие света. Оно проявляется в давлении света на поверхность тела, отражающего или поглощающего свет. Это давление чрезвычайно мало. Так, на квадратный метр земной поверхности в ясный солнечный день действует сила давления солнечного света всего около 5⋅10-6 Н.

Гипотеза о существовании давления света была впервые высказана Иоганном Кеплером в 17 веке для объяснения отклонения хвостов комет при их полёте вблизи Солнца. В 19 веке Джеймс Максвелл на основе электромагнитной теории света предсказал, что свет должен оказывать давление на препятствие. Впервые давление света измерил русский физик Пётр Николаевич Лебедев в 1900 году в Москве. Он сконструировал устройство, представляющее собой лёгкий стержень, подвешенный на тонкой нити, на который крепились лёгкие крылышки (см. рисунок).

Впервые давление света измерил русский физик Пётр Николаевич Лебедев в 1900 году в Москве. Он сконструировал устройство, представляющее собой лёгкий стержень, подвешенный на тонкой нити, на который крепились лёгкие крылышки.

Одна сторона крылышек была посеребрена, а другая — зачернена. Весь прибор помещался в стеклянный сосуд, из которого был выкачан воздух. Свет падал на крылышки, расположенные по одну сторону стерженька. По углу закручивания нити можно было судить о величине давления. Несмотря на низкий уровень экспериментальной техники в те времена, Лебедев сумел преодолеть все трудности, связанные с исключением посторонних влияний на результаты эксперимента. Так, например, из-за того, что из сосуда было невозможно выкачать весь воздух, при проведении эксперимента начиналось движение молекул воздуха, вызванное неодинаковым нагревом крылышек и стенок сосуда. Для исключения конвекционных потоков, Лебедев направлял пучки света на крылышки то с одной, то с другой стороны. Таким образом, конвекционные силы, действующие на крылышки, уравновешивались. В настоящее время разработаны новые источники когерентного излучения высокой интенсивности — лазеры. Они дают такую высокую концентрации энергии на малую поверхность, что можно получить световое давление около 106 атмосфер!


18

Найдите силу давления солнечного света на диск (крылышко) в приборе П. Н. Лебедева, если известно, что площадь диска равняется примерно 0,2 см2, а давление света равно 6⋅10-6 Па. Ответ поясните.

Ответ:

× 10-10 Н.

19

Брусок плавает при полном погружении в воде. Изменится ли (и если изменится, то как) выталкивающая сила, действующая на брусок, если его переместить в керосин? Ответ поясните.

Ответ:


Для заданий 20–22 необходимо записать полное решение, включающее запись краткого условия задачи (Дано), запись формул, применение которых необходимо и достаточно для решения задачи, а также математические преобразования и расчёты, приводящие к числовому ответу.


20

Найдите ускорение свободного падения на поверхности некоторой планеты, масса которой в 8 раз больше массы Земли, а радиус — в 2 раза больше радиуса Земли.

Ответ:

м/с2.

21

Два одинаковых медных шара получили одинаковую энергию, в результате чего первый шар нагрелся на 8 °C, оставаясь неподвижным, а второй, не нагреваясь, приобрел некоторую скорость. Какова эта скорость? Удельная теплоемкость меди — 400 Дж/кг⋅°С.

Ответ:

м/с.

22

Кусок свинца, имеющего температуру 27 °C, начинают нагревать на плитке постоянной мощности. Через 10 минут от начала нагревания свинец нагрелся до температуры плавления. Сколько еще времени потребуется для плавления свинца?

Удельная теплоёмкость свинца — 130 Дж/кг⋅°С.
Удельная теплота плавления свинца — 2,5⋅104 Дж/кг.
Температура плавления свинца — 327 °С.

Ответ дайте в секундах, округлив до целых.

Ответ:

с.


© «Учка.РФ», 2025-2026. Подготовка к ЕГЭ, ОГЭ и ВПР по математике, русскому языку, физике. Тренировочные варианты ЕГЭ, ОГЭ, ВПР.
Обратная связь